ДИП-141 (ИП 212-141) (V1.24) с УС-02, извещатель пожарный дымовой оптико-электронный
ДИП-141 (ИП 212-141) (V1.24) с УС-02, извещатель пожарный дымовой оптико-электронный
‍855‍ 

ДИП-141 (ИП 212-141) (V1.24) с УС-02, извещатель пожарный дымовой оптико-электронный

Описание ДИП-141 (ИП 212-141) (V1.24) с УС-02, извещатель пожарный дымовой оптико-электронный

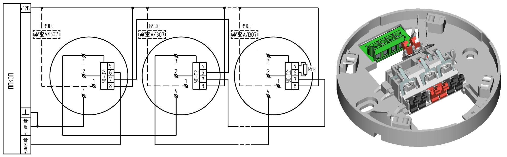
Извещатели пожарные дымовые оптико-электронные ИП 212-141 предназначен для обнаружения загораний, сопровождающихся появлением дыма малой концентрации в закрытых помещениях различных зданий и сооружений. Питание извещателя и передача сигнала «Пожар» осуществляется по двухпроводному шлейфу сигнализации и сопровождается включением оптического индикатора при срабатывании извещателя. Извещатель не реагирует на изменение температуры, влажности, на наличие пламени, естественного или искусственного света. Извещатель предназначен для круглосуточной и непрерывной работы с приемно-контрольными приборами, обеспечивающими напряжение питания в шлейфе сигнализации в диапазоне от 9 до 30 В и воспринимающими сигнал «Пожар» в виде скачкообразного уменьшения внутреннего сопротивления извещателя в прямой полярности до величины не более 1000 Ом, таких как Гранит, Гранд Магистр, ВЭРС ПК, Сигнал-20, Сигнал-20П и др. Извещатель выполняет следующие функции: измерение концентрации дыма; цифровая обработка по специальным алгоритмам результатов измерений и принятие решения о переходе в режим «Пожар»; уменьшение внутреннего сопротивления в режиме «Пожар» до величины 1 кОм; тестирование работоспособности с помощью специального устройства; светодиодная индикация режимов работы. Сигнал «Пожар» сохраняется после окончания воздействия на извещатель дыма. Сброс производится с приемно-контрольного прибора отключением питания извещателя на время не менее 2 сек. Соединение датчика с розеткой является разъемным. Круговые контакты позволяют устанавливать извещатель, не ориентируя его относительно розетки. Розетка является унифицированной и позволяет устанавливать любой извещатель тм Рубеж без перемонтажа системы. Подключение минусового провода ШС к контактам 3 и 4, короткозамкнутым через извещатель, позволяет получить сигнал «неисправность ШС» на ППКП при изъятии извещателя с розетки. Извещатель имеет возможность установки на подвесной потолок, используя для этого специальную розетку, совмещенную с монтажным кольцом. Безвинтовой способ крепления проводов с помощью кнопки-зажима обеспечивает надежный контакт и простоту монтажа. При подключении извещателя к ШС приемно-контрольного прибора, имеющего функцию определения количества сработавших извещателей (функция двойной сработки), необходимо использовать добавочный резистор Rд. Номинал добавочного резистора зависит от того, к какому приемно-контрольному прибору подключен извещатель и рассчитывается исходя из сопротивления шлейфа прибора в режимах «Пожар» и «Внимание».Извещатель может работать с приборами, имеющими четырехпроводную схему включения. Для этого используется устройство согласования УС-02. Оно устанавливается в корпусе штатной розетки извещателя. Технические харктеристики: Питание извещателя: от 9 до 30 В Ток потребления в дежурном режиме: не более 45 мкА Чувствительность извещателя соответствует задымленности окружающей среды,ослабляющей световой поток, в пределах:     от 0,05 до 0,2 дБ/м Инерционность срабатывания: не более 9 сек Сопротивление извещателя в режиме «Пожар»: не более    1 кОм Частота моргания светодиодного индикатора: в дежурном режиме: 1 раз в 5 сек. в режиме «Пожар»:     постоянное свечение Извещатель сохраняет работоспособность при воздействии на него: воздушного потока со скоростью: до 10 м/с фоновой освещенности: до 12000лк     Помехоустойчивость (по ГОСТ Р 53325):    4 степень Степень защиты оболочки извещателя: IP 30 Габаритные размеры:    Ø94х46 мм Вес извещателя:    210 г Диапазон рабочих температур:    от -45 до +55 °С Средний срок службы:    не менее 10 лет Если не требуется функция двойной сработки, то добавочный резистор Rд не устанавливается. При этом приемно-контрольный прибор должен иметь функцию ограничения тока в режиме «Пожар» до 20 мА во избежание выхода из строя извещателя.

Характеристики ДИП-141 (ИП 212-141) (V1.24) с УС-02, извещатель пожарный дымовой оптико-электронный

Габариты: вес (кг)
0.1
Габариты: Высота (м)
9
Габариты: Длина (м)
3
Габариты: Ширина (м)
9.5
Бренд
Рубеж

Отзывы не найдены

 
ДОСТАВКА

Наша компания производит доставку по всей России

ТЕХНИЧЕСКОЕ ОБСЛУЖИВАНИЕ

Заключаем договора на техническое облуживание вашего объекта

МОНТАЖ

Устанавливаем системы безопасности любой сложности