ДИП-45 (ИП 212-45) с УС 02 извещатель пожарный дымовой, с контролем питания
ДИП-45 (ИП 212-45) с УС 02 извещатель пожарный дымовой, с контролем питания
‍935‍ 

ДИП-45 (ИП 212-45) с УС 02 извещатель пожарный дымовой, с контролем питания

Описание ДИП-45 (ИП 212-45) с УС 02 извещатель пожарный дымовой, с контролем питания

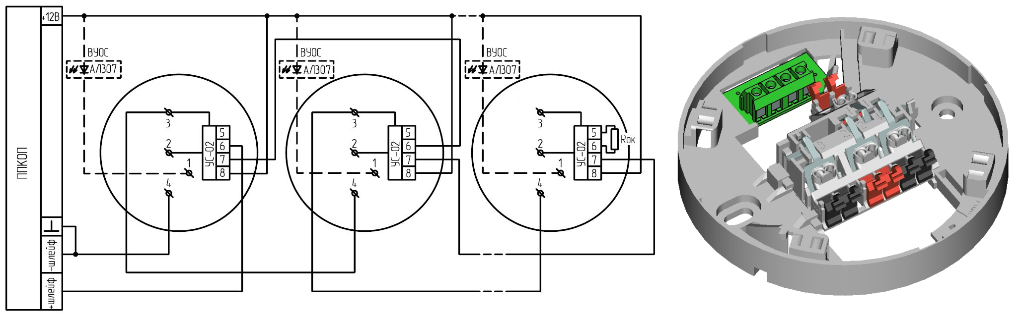
Извещатель пожарный дымовой оптико-электронный ИП 212-45 предназначен для раннего обнаружения загорания, сопровождающегося появлением дыма малой концентрации в закрытых помещениях различных зданий и сооружений. Питание извещателя и передача сигнала «Пожар» осуществляется по двухпроводному шлейфу сигнализации и сопровождается включением оптического индикатора при срабатывании извещателя. Извещатель не реагирует на изменение температуры, влажности, на наличие пламени, естественного или искусственного света. Современный дымовой оптико-электронный извещатель серии «Марко» с визуальной индикацией состояния извещателя, евродизайном корпуса и безвинтовыми контактами. Улучшенные потребительские свойства: в извещателе применена уникальная микросхема собственной разработки, осуществляющая цифровую обработку сигналов оптопары; новый улучшенный алгоритм компенсации запыленности, повышающий помехозащищенность и позволяющий исключить ложные срабатывания; горизонтальный и вертикальный дымозаход обеспечивают оперативность срабатывания извещателя при появлении первых признаков дыма; промигивание светодиода в дежурном режиме; малые габаритные размеры; широкий диапазон питающих напряжений от 9 до 30 В; малое токопотребление – не более 0,045 мА; удобное тестирование с помощью кнопки максимально облегчает задачу технических специалистов; корпус извещателя изготовлен из ударопрочного и износостойкого материала  АБС. Извещатель предназначен для круглосуточной и непрерывной работы с приемно-контрольными приборами, обеспечивающими напряжение питания в шлейфе сигнализации в диапазоне от 9 до 30 В и воспринимающими сигнал «Пожар» в виде скачкообразного уменьшения внутреннего сопротивления извещателя в прямой полярности до величины не более 1000 Ом, таких как Гранит, Гранд Магистр, ВЭРС ПК, Сигнал-20, Сигнал-20П и др. Извещатель выполняет следующие функции: измерение концентрации дыма; цифровая обработка по специальным алгоритмам результатов измерений и принятие решения о переходе в режим «Пожар»; уменьшение внутреннего сопротивления в режиме «Пожар» до величины 1 кОм; тестирование работоспособности с помощью специального устройства; светодиодная индикация режимов работы. Сигнал «Пожар» сохраняется после окончания воздействия на извещатель дыма. Сброс производится с приемно-контрольного прибора отключением питания извещателя на время не менее 2 сек. Соединение датчика с розеткой является разъемным. Круговые контакты позволяют устанавливать извещатель, не ориентируя его относительно розетки. Розетка является унифицированной и позволяет устанавливать любой извещатель тм Рубеж без перемонтажа системы. Подключение минусового провода ШС к контактам 3 и 4, короткозамкнутым через извещатель, позволяет получить сигнал «неисправность ШС» на ППКП при изъятии извещателя с розетки. Извещатель имеет возможность установки на подвесной потолок, используя для этого специальную розетку, совмещенную с монтажным кольцом. Безвинтовой способ крепления проводов с помощью кнопки-зажима обеспечивает надежный контакт и простоту монтажа. Технические характеристики Питание извещателя: от 9 до 30 В Ток потребления в дежурном режиме:    не более 45 мкА Чувствительность извещателя соответствует задымленности окружающей среды, ослабляющей световой поток, в пределах:     от 0,05-0,2 дБ/м Инерционность срабатывания:     не более 9 сек Сопротивление извещателя в режиме «Пожар», не более:    1 кОм Частота моргания светодиодного индикатора: в дежурном режиме: 1 раз в 5 сек. в режиме «Пожар»: постоянное свечение Извещатель сохраняет работоспособность при воздействии на него: воздушного потока со скоростью: до 10 м/с фоновой освещенности: до 12000лк     Помехоустойчивость (по ГОСТ Р 53325):    4 степень Степень защиты оболочки извещателя:    IP 30 Габаритные размеры:    Ø93х46 мм Вес извещателя:    210 г Диапазон рабочих температур:    от -45 до +55 °С Средний срок службы:    не менее 10 лет

Характеристики ДИП-45 (ИП 212-45) с УС 02 извещатель пожарный дымовой, с контролем питания

Габариты: вес (кг)
0.1
Габариты: Высота (м)
9.5
Габариты: Длина (м)
5
Габариты: Ширина (м)
10
Бренд
Рубеж

Отзывы не найдены

 
ДОСТАВКА

Наша компания производит доставку по всей России

ТЕХНИЧЕСКОЕ ОБСЛУЖИВАНИЕ

Заключаем договора на техническое облуживание вашего объекта

МОНТАЖ

Устанавливаем системы безопасности любой сложности